[1/16] Caterpillar 992G

Re: [1/16] Caterpillar 992G

Messagepar Guillaume » Sam Jan 11, 2014 5:40

oh merci papy de te proposer ! (:o) (:o) (:o) (:o) (:o) (:o) (:o) (:o) (:o) (:o) (:o)
En attente de réalisation, veuillez patienter ...

Image
Avatar de l’utilisateur
Guillaume
Site Admin
 
Message(s) : 3848
Inscrit le : Mer Fév 16, 2011 2:36

Re: [1/16] Caterpillar 992G

Messagepar Papy » Sam Jan 11, 2014 6:04

^^
Comme je suis en train de faire des pièces pour moi, le plateau est déjà monté sur la fraiseuse......et vu la météo, les routes sont bien dégagées, alors si tu ne sais pas quoi faire de ton dimanche 8)
Avatar de l’utilisateur
Papy
 
Message(s) : 1317
Inscrit le : Ven Juil 20, 2012 2:39

Re: [1/16] Caterpillar 992G

Messagepar Guillaume » Sam Jan 11, 2014 6:17

heuuu pas demain car je pense que demain matin sa va être en mode coma vu que les playoff de la NFL on commencé et que l équipe que je soutien joue cette nuit entre 2h30 et 5h du mat :D et que j ai pas fini toute mes pièces (:o)

mais on peut se caler sa une autre fois ? (:o)
En attente de réalisation, veuillez patienter ...

Image
Avatar de l’utilisateur
Guillaume
Site Admin
 
Message(s) : 3848
Inscrit le : Mer Fév 16, 2011 2:36

Re: [1/16] Caterpillar 992G

Messagepar Papy » Sam Jan 11, 2014 6:29

Tu sais où me trouver ^^
Avatar de l’utilisateur
Papy
 
Message(s) : 1317
Inscrit le : Ven Juil 20, 2012 2:39

Re: [1/16] Caterpillar 992G

Messagepar Guillaume » Sam Jan 11, 2014 8:59

ce soir j ai commencer a attaqué le corp d un des ponts pas évidant de passer d un bloque d alu de 70mm de diamètre et d en faire un tube de 70/50mm sa en fait du copeau (:o) (:o) (:o) (:o)

voila un petit aperçu du futur ponts ! sa va pas être un truc de gamin (:o) (:o) (:o)

IMG_1616.JPG
En attente de réalisation, veuillez patienter ...

Image
Avatar de l’utilisateur
Guillaume
Site Admin
 
Message(s) : 3848
Inscrit le : Mer Fév 16, 2011 2:36

Re: [1/16] Caterpillar 992G

Messagepar marc » Sam Jan 11, 2014 9:58

Normal tu joue dans la coure des grands ici.. (+) (+)
en tout cas on ne voit pas ça sur n importe quel forum ! ^^
Avatar de l’utilisateur
marc
 
Message(s) : 2749
Inscrit le : Jeu Juil 19, 2012 6:41
Localisation : Haute-Loire

Re: [1/16] Caterpillar 992G

Messagepar Guillaume » Mar Jan 14, 2014 9:44

aller on continue (:oD

IMG_1621.jpg


IMG_1622.jpg


l interieur

IMG_1623.jpg


IMG_1624.jpg


y a encore du taff !!! mais sa prend forme ! (:D

par contre question :?

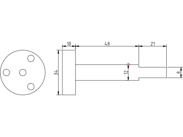
j ai une pièces a faire qui par de la réduction épicycloïdale jusqu a l entraineur de jante (voila la pieces)

entreneur.jpg


au départ je pensais la réaliser en 2 pièces mais je me suis dit non du coup je pensais la réaliser en alu mais j ai peur que ce soit trop mou 8o( du coup je pensais en acier mais la j ais peur que ce soit trop dur pour mon tour (:o)

vous en pensez quoi ? (:oD
En attente de réalisation, veuillez patienter ...

Image
Avatar de l’utilisateur
Guillaume
Site Admin
 
Message(s) : 3848
Inscrit le : Mer Fév 16, 2011 2:36

Re: [1/16] Caterpillar 992G

Messagepar Papy » Mar Jan 14, 2014 10:55

Fais-là en deux pièces......
Avatar de l’utilisateur
Papy
 
Message(s) : 1317
Inscrit le : Ven Juil 20, 2012 2:39

Re: [1/16] Caterpillar 992G

Messagepar Guillaume » Mar Jan 14, 2014 11:20

oui mais j ai peur que sa fasse un point de faiblesse vu que tout le couple va passer dans cette pièces 8o(
En attente de réalisation, veuillez patienter ...

Image
Avatar de l’utilisateur
Guillaume
Site Admin
 
Message(s) : 3848
Inscrit le : Mer Fév 16, 2011 2:36

Re: [1/16] Caterpillar 992G

Messagepar marc » Mar Jan 14, 2014 4:14

Tout a fait,comme PAPY (+1),en 2 pieces acier.
La 1ere,l'arbre dia 12 et 8 sur la longueure totale voulu et ensuite le "flasque" avec tes 3 alesages a 120°.
Les 2 montes colle/serre..... (+) (+) (+) (+)
Eventuellement laisse une épaisseur sur ton "flasque" a reprenred une fois assemble.Alesage de tes 3 trous a réaliser une fois l'ensemble fini,avec prise en VE (ou autre,mandrin,montage...) sur dia 12,strictement parallèle a l'axe de ton demi-arbre.
en tout cas on ne voit pas ça sur n importe quel forum ! ^^
Avatar de l’utilisateur
marc
 
Message(s) : 2749
Inscrit le : Jeu Juil 19, 2012 6:41
Localisation : Haute-Loire

PrécédentSuivant

Retour vers Chargeurs

Qui est en ligne ?

Utilisateur(s) parcourant ce forum : Aucun utilisateur inscrit et 8 invité(s)

cron

x